BALSU Aktif Karbon

Balsu olarak fındıkta 45 yılı aşkın deneyim, bilgi birikimi ve uzmanlığımızı şimdi bir adım daha ileriye taşıyoruz.
Çok yakında, fındık kabuğundan, patentli yüksek teknoloji kullanan fabrikamızda elde edeceğimiz Aktif Karbon ile, Türkiye’de ve dünyada birçok farklı sektörün ihtiyacı olan yenilikçi, çevre dostu ve %100 yerli ham maddeden üretilmiş bir ürünü, tüm çeşitleriyle sunuyor olacağız. Türkiye’de fındık kabuğundan seri üretimle elde edilecek ilk Aktif Karbon olma özelliğini taşıyan ve Hendex markası altında sunacağımız bu yeni ürün 2025 yılında piyasaya arz edilmiş olacaktır.

Sayın Cumhurbaşkanı Recep Tayyip Erdoğan ve Balsu CEO’su Bilge Anbarlılar

High Tech Türkiye – HIT-30 Teşekkür Belgesi
Sanayi ve Teknoloji Bakanlığı tarafından, Türkiye’nin ithal ettiği teknolojik ürünlerin üretilmesine yönelik yapılacak yatırımlara verilen Teknoloji Strateji Puanı (TSP) Balsu Hendex Aktif Karbon yatırımı için 85,65 olarak gerçekleşmiş, böylece bu yatırım Türkiye’nin en üst seviyedeki teknolojik yatırımları arasındaki yerini almıştır. Ayrıca Aktif Karbon yatırımı ile Balsu, High Tech Türkiye HIT-30 etkinliğine davet edilerek teşekkür belgesi almıştır.
Çevre ve Şehircilik Bakanlığı tarafından verilen ÇED (Çevresel Etki Değerlendirmesi) Raporu alınmış olan bu büyük projemizin hikayesi, doğanın sunduğu kaynakları en verimli şekilde kullanma vizyonumuza dayanıyor. Fındık kabuklarının atık olarak kullanılmasının ötesine geçerek, bu doğal ham maddeyi çevreci, yüksek kapasiteli, kaliteli ve güvenli, yüksek teknolojiyi kullanan üretim tesislerimizde işleyip, ithal ürünlerin yerine geçecek yüksek katma değerli bir ürüne dönüştürüyor olacağız.
Hendex Aktif Karbon ürünleri, kıymetli metal, otomotiv, beyaz eşya, enerji depolama, gıda, içecek, ilaç, tekstil, maden, metal, elektronik ve savunma sanayii endüstrilerinde arıtma, saflaştırma, hava ve su filtreleme amaçlarıyla kullanılıyor olacaktır.
Yılda 100 bin tonun üzerinde fındık kabuğu işleyerek Aktif Karbon üretilmesi ve üretimden açığa çıkan sentez gazından, yenilenebilir enerji ve toprak katkı maddesi elde edilmesi sonucu, fındıkta olduğu gibi Aktif Karbon alanında da dünyanın önde gelen kuruluşlarından biri olacağımıza inancımız tamdır.
Öte yandan Balsu, fındık kabuğundan elektrik üreterek dünyanın ilk ve tek enerji bağımsız fındık kuruluşu olacaktır.
Balsu olarak Hendex yatırımımız, çevreye duyarlı üretim süreçleri ile öne çıkarak, sürdürülebilirlik ilkemizi bir kez daha hayata geçirmemizi sağlayacaktır. Yenilikçi ve çevre dostu bir yatırım olan Hendex Aktif Karbon ülkemizin ve Balsu’nun gurur kaynaklarından biri olacaktır.

BALSU Aktif Karbon Fabrikası (Proje Dış Görünmü)

Fındık Kabuğu

Fındık Kabuğunun Aktif Karbona Dönüşümü

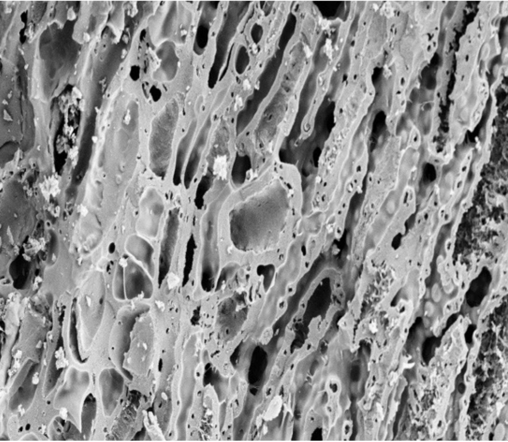
Fındık Kabuğunun SEM Elektron Mikroskop ile Çekilen Fotoğrafı

Aktif Kabuğun SEM Elektron Mikroskop ile Çekilen Fotoğrafı